新闻动态

  • 高压流量自控仪

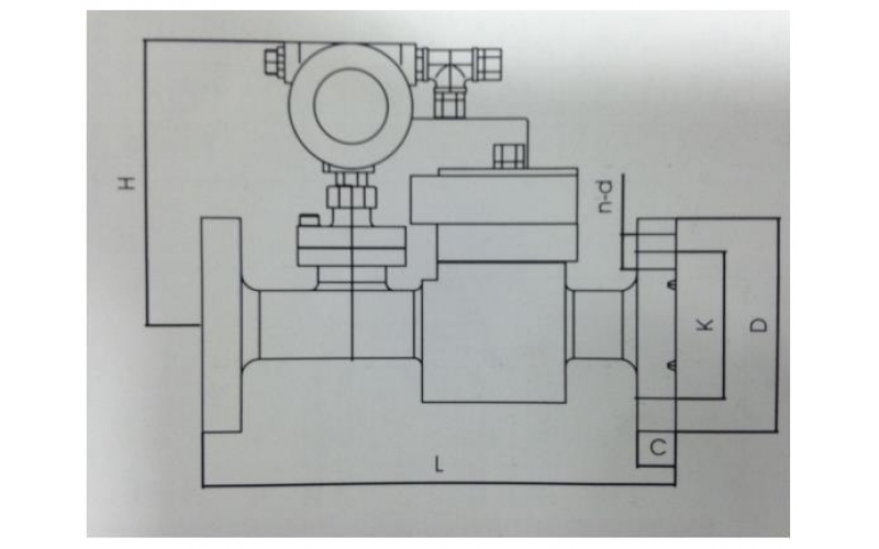
    高压流量自控仪

    2022-03-22 星空体育(中国)

  • PID控制简述集合

    尽管不同类型的控制器,其结构、原理各不相同,但是基本控制规律只有三个:比例(P)控制、积分(I)控制和微分(D)控制。这几种控制规律可以单独使用,但更多场合是组合使用。如比例(P)控制、比例-积分(PI)控制、比例-积分-微分(PID)控制等。

    2022-03-22 星空体育(中国)

上一页12345下一页 转至第
首页
产品
新闻
联系