便携式直流接地故障点查找仪工作原理
2023-09-28 08:38:38
星空体育(中国)
便携式直流接地故障点查找仪工作原理
一、概述
便携式直流接地故障点查找仪可以查找解决各电压等(48V,110V,220V)直流系统中的间接接地、非金属接地、环路接地、正负同时接地、正负平衡接地、交直流窜电故障、多点接地等绝缘故障。
便携式直流接地故障点查找仪采用高分辨率传感单元对直流系统中接地点的漏电流进行采集,在220V电压等级下检测600KΩ以内的对地绝缘阻抗,在一定程度上可以作为直流系统中的绝缘故障查找的一种辅助工具。
二、工作原理
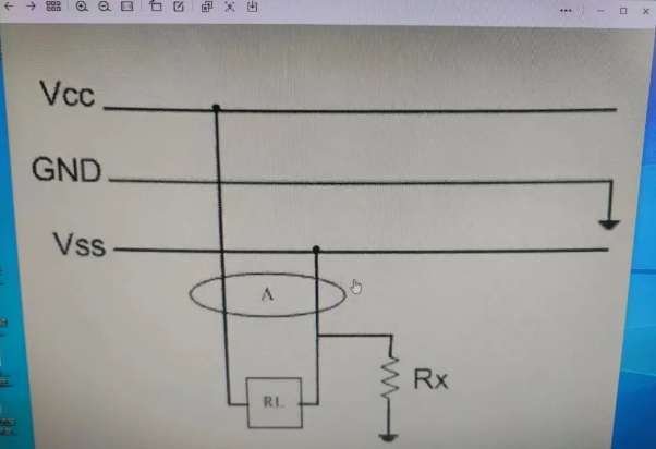
便携式直流接地故障点查找仪的基本原理是利用接地点的漏电流信号,当直流系统中某条馈线回路发生绝缘异常后,该支路中对地绝缘阻抗中会产生与阻值大小相关漏电流大小,如图所示:

基本原理图示
当负极发生对地阻抗为Rx的绝缘异常之后,A(给负载RL供电的正负电源线电流大小矢量和)处电流大小为:I=Vss/Rx。
便携式直流接地故障点查找仪通过对系统对地电压及各支路漏电流大小进行分析,从而判断系统的绝缘状况及支路的绝缘故障点。
当在接地点上方检测时,会给出绝缘故障信号:当在接地点下方检测时,会给出绝缘正常信号,从而实现接地故障点的定位。

便携式直流按地故障点查找仪由“分析仪”与“探测仪”两部分组成,使用时,将直流系统绝缘分析仪电源线按标示接入被测直流系统母线的正极,负极与地线上,开启电源后,分析仪即会对直流系统的绝缘情况进行分析,并将直流系统正对地电压,负对地电压,接地阻抗等参数显示在仪器液晶屏上,如果检测到系统有绝缘异常的情况,用户可以使用探测仪进行接地点的定位。
分析仪与探测仪之间可通过无线模块进行数据通信,探测仪配有高分辨率的采集器,实现对被测支路漏电流大小的检测,同时,其通过无线模块读取绝缘分析仪传送的对地电压信号,通过该电压与电流值实现对被测支路绝缘阻抗的检测。
TAG:
便携式直流接地故障点查找仪