行业知识

关于电气自锁、互锁和联锁电路知识分享

2023-06-13 10:41:27 星空体育(中国)

关于电气自锁、互锁和联锁电路知识分享

1、自锁

以电动机作为动力来拖动生产机械的拖动方式叫做电力拖动。尽管生产机械种类繁多,使得控制线路大不相同,但一般说来其控制原则和控制规律还是基本一致的。在通常的电路中,按下开关,电路通电;松开开关,电路又断开。一旦按下开关,就能够自动保持持续通电,直到按下其他开关使之断路为止;这样的电路,称为自锁电路。

利用开关熔丝的直接启动线路

直接启动,就是指电动机直接接电源,这时电源的全部电压都加在电动机的定子绕组上,所以又称全压启动。

图片关键词

电动机经熔丝通过三相开关与电源接通或断开。刀开关可选用普通的开启式负荷开关或封闭式负荷开关等。选择刀开关时,容量不宜太大。因为它的灭弧能力差,如果电流太大,拉闸时产生电弧,火焰较大,容易发生危险。

利用电磁启动器的直接启动线路

所谓电磁启器就是交流接触器和热继电器两者组合成的启动设备。前者是用来接通或断开电源的自动电器,后者可起过载保护作用。

图片关键词

当电动机在运行中过载时,热继电器的发热元件FR 受热变形,使它的动断触点断开,使接触器线圈KM断电而自动跳闸,保证电动机不致烧毁。再次启动时,需按一下 FR 的复位按钮,使动作机构回到原来的位置。由于热继电器的发热元件串联在电源线上,避免了电动机单相运行引起的严重故障。


电磁启动器操作安全轻便,具有过载保护能力,是一种较理想的启动设备,较刀开关价格高如果没有现成的电磁启动器,可按上图的线路用交流接触器、热继电器及按钮自行安装。


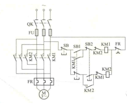
2、互锁

各种生产机械中要求电动机具有正反转功能。电动机的正反转是通过改变加在电动机上任意两相电源的相序来实现的,但正反转电路不能同时运转,必须保证正转时不能反转,反转时也不能正转,即正反转要互相锁定,从而防止相间短路。


利用开关熔丝的直接启动电路

下图利用两个接触器的动断触点 KM1、KM2起相互控制作用即利用一个接触器通电时,其动断辅助触点的断开来锁住对方线圈的电路。这种利用两个接触器的动断辅助触点互相控制的方法叫做互锁,而这两对起互锁作用的触头便叫做互锁触点,也叫电器互锁。

图片关键词

图片关键词

此电路中可用行程开关代替复合按钮来控制,引出自动循环控制线路。


3、连锁

在某些电路中,要求某一电动机先运行,而另一电动机后运行,于是对控制线路提出了按顺序工作的要求。

例如,车床主轴转动前,要求油泵电动机先运行,给齿轮箱供足润滑油后,才允许主轴电动机在有油润滑的情况下转动。

图片关键词

本电路中,在SB1没有按下的情况下,按动SB2,主轴电动机不能得电运行;只有按下SB1后,再按 SB2,主轴电动机才能运行,从而实现油泵电动机和主轴电动机顺序工作的要求,即实现两者间的联锁。

首页
产品
新闻
联系