新闻动态
KWZK星空体育·星空官方网站
网站首页
星空体育(中国)
公司简介
在线反馈
联系我们
产品展示
全部
传感器/变送器
流量计系列
液位/料位系列
阀门/执行装置
液压/气动元件
检维修工器具
化验/分析仪器
其他机电仪产品
新闻动态
全部
行业知识
企业新闻
资料下载
客户案例
新闻动态
推荐
热门
最新
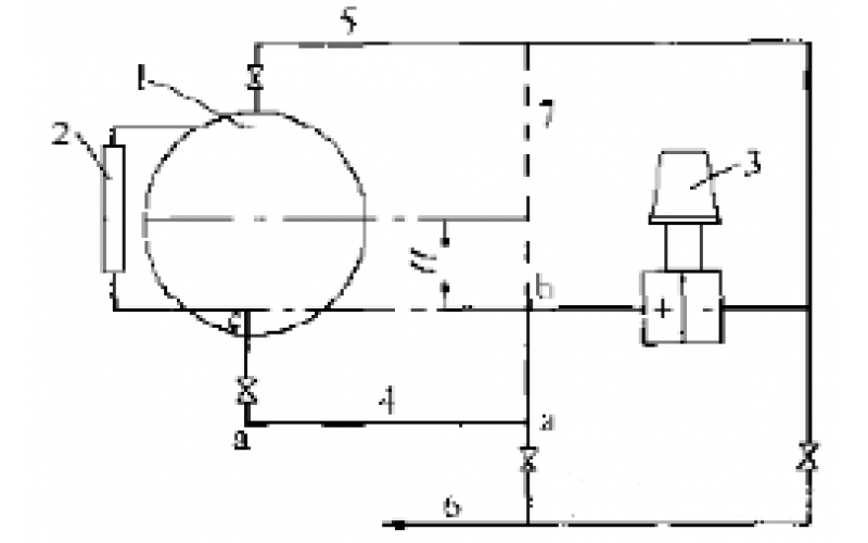
WAX-C320差压变送器在强腐蚀系统中的应用
WAX-C320差压变送器在强腐蚀系统中的应用
2022-09-23
星空体育(中国)
WAX-C320差压变送器液面测量的管路改装分享
WAX-C320差压变送器液面测量的管路改装分享
2022-09-22
星空体育(中国)
上一页
1
下一页
转至第
首页
产品
新闻
联系
九游·体育(jiuyou.com)官方网站
|
开云足球
|
开云电子平台_开云(中国)
|
MK平台
|
九游网页版登录入口
|
MK官方网页版
|
多宝官方网站
|
j9体育平台
|
j9体育平台
|