新闻动态

  • 锅炉汽包液位计检修案例分析

    根本原因:汽包压力波动导致双室平衡容器内饱和水部分汽化,参考水柱高度变化引起测量偏差。 处理方式:关闭根部阀,打开排污阀排空后重新灌液校正,恢复投用后指示正常。

    2026-01-12 星空体育(中国)

  • 锅炉汽包液位计选?

    这时候云母液位计就是“主力选手”。它能耐压32MPa、耐温400℃,双色显示无盲区,维护周期长达2年,就是价格偏高,DN200规格约1.2万元;要是预算充足,中压锅炉也能选石英管液位计,耐温能到350℃,但耐压上限只有16MPa,不如云母液位计全能。至于超高压锅炉(压力>32MPa),就得选特殊石英玻璃云母液位计,加厚云母片搭配金属密封,专门应对极端工况,就是安装空间要求高,得预留800mm的观察窗,不然装不下。

    2025-11-24 星空体育(中国)

  • 关于涡街流量计“漏脉冲”的探讨

    漏脉冲的核心定义与危害 漏脉冲是指涡街流量计在测量过程中,传感器未能完整检测流体流经旋涡发生体时产生的涡列信号,部分涡流被“遗漏”未转化为电脉冲输出,直接导致流量测量结果偏低。

    2025-11-18 星空体育(中国)

  • 锅炉汽包浮筒液位计调试全流程教学

    核心步骤:4 步搞定调试,每步都有 “避坑点”第一步:零位校准 —— 让浮筒 “认准” 空罐状态 零位是调试的基础,必须让浮筒内无残留介质,具体操作如下: 物理排空(关键!):关闭浮筒上下手阀,打开底部排空阀;等待排空口无介质流出(可用容器接取,确认无液体 / 蒸汽后),关闭排空阀。

    2025-11-12 星空体育(中国)

  • 锅炉主给水旁路电动调节阀线性推进器故障案

    故障现象:线性推力器的铜螺母内螺纹被阀杆丝杠的外螺纹完全剪切、磨损殆尽,失去咬合力。阀门在高压给水推力下被瞬间顶开,给水流量瞬间飙升,险些导致锅炉非计划停机。

    2025-10-23 星空体育(中国)

  • 热电阻指示偏低维修案例

    现场工艺通知该热电阻所测量出的温度显示偏低,与现场工况的实际温度不符。

    2025-10-16 星空体育(中国)

  • 电接点水位计显示面板不准

    由于水和汽的导电性能差别极大,以发电厂锅炉汽包为例,一般水阻在几十KΩ,汽阻在1MΩ以上,测量筒的作用就是将水位的高低通过电接点阻值的变化,转换为电信号送至二次仪表进行运算和逻辑判断,最后以发光二极管和数码管准确显示水位值。

    2025-08-20 星空体育(中国)

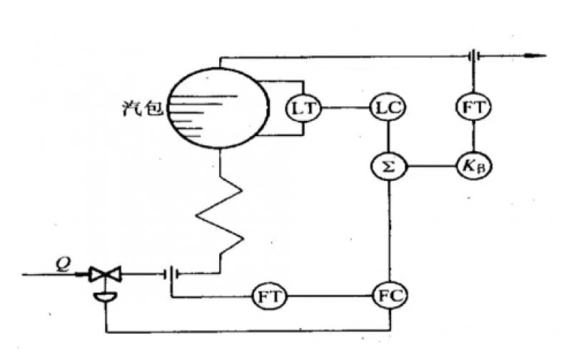
  • 锅炉汽包液位三冲量控制系统

    主被控变量:汽包液位,由液位变送器(LT)测量,经导压管将汽包内液位信号引出,送至主调节器(LC)。 副被控变量:给水流量,由流量变送器(FT2)测量,安装在给水管道的孔板处,通过导压管将差压信号转换为电信号,送至副调节器(FC)。

    2025-08-08 星空体育(中国)

上一页1234567...27下一页 转至第
首页
产品
新闻
联系