变压器励磁电流大小是否可以控制
2022-07-26 09:45:23
星空体育(中国)电气
变压器励磁电流大小是否可以控制
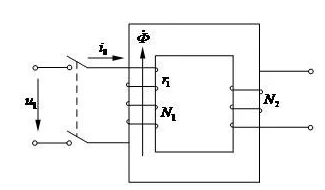
变压器空载合闸时,会产生与合闸时电压初相角以及变压器特性有关的励磁涌流,在最不利的情况下,励磁涌流可以达到额定电流的8-10倍,对变压器的机械强度形成威胁,并可能导致变压器保护装置误动作。

上学时,学到的理论上说,励磁涌流大小主要的决定因素是合闸时点电压初相角。当α=0°时,合闸磁通立即达到稳定值,此时不产生励磁涌流;当α=90°时,合闸磁通由零增大至2φm,励磁涌流达到最大。

现实工作中,会不会有其他因素会影响变压器的励磁涌流呢?
有!
电压幅值对励磁涌流的影响
这里说的电压幅值影响,不是基于欧姆定律来讲,而是说变压器铁心在较高电压下空载合闸,会出现过激磁与励磁涌流的叠加,从而大幅提高励磁涌流的幅值。
下表为某变压器不同电压下励磁涌流数值对比。
励磁涌流 | 正常电压 | 1.05倍正常电压 |
励磁涌流起始峰值(A) | 917 | 1050 |
励磁涌流起始有效值A) | 435 | 580 |
表中数据显示,电压增高5%,励磁涌流起始峰值增加14.5%。
所以除了变压器新投时进行的空载合闸试验,运行中进行变压器空载合闸时可以考虑通过降低电压值来减小励磁涌流的影响。比如调整电源侧变压器的分接开关等措施。

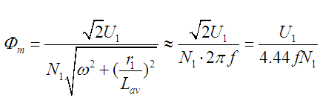
参考上面的公式,频率高和电压高一样,也会产生过激磁的问题,但实际的电力系统中频率的变化很小,忽略不计吧。
阻抗的影响
合闸时变压器原边回路的电动势方程式为

我觉得可以推导出电阻的大小能够起到限制涌流的作用。变压器绕组直流电阻越大,涌流幅值越小。
另外变压器一次绕组阻抗与涌流的衰减速度有关,下面的公式是励磁涌流衰减的时间常数。可见变压器绕组的电阻值越大,励磁涌流衰减的越快。

实际工作中,我们还要注意阻抗值不仅包括变压器绕组,还应该包括外部系统情况。
可以推断,变压器的进线电源线路越长,励磁涌流的幅值越小,励磁涌流衰减的越快。
TAG:
变压器